Opbouwkast 3 inbouwplaatsen Eaton
4317918
MFG #: 216538
€27,07
/ 1.00
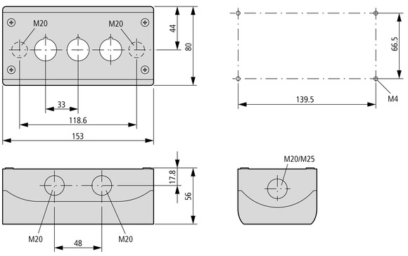
- Aantal commandoposities: 3
- Beschermingsgraad (IP): IP67/IP69K
- Beschermingsgraad (NEMA): 13
- Bouwvorm behuizing: Opbouwbehuizing
- Breedte: 153 mm
- Diepte: 80 mm
- Doorsnede openingen: 22,5 mm
- Hoogte: 56 mm
- Kleur bovendeel behuizing: Grijs
- Kwaliteitsklasse materiaal behuizing: Overig
- Materiaal behuizing: Kunststof
- Merk: Eaton
- Serie: RMQ M22
- Type: M22-I3
- 152aaa74398d0af1e2faf4ab23a7fedd.dwg()
- 1cca5b531afc444e01b54cc20a253e03.stp()
- 2144314003bc99c9dbc38308298b562b.jpg()
- 3a764308b02135a60c99739d2aaeb38e.dwg()
- 474ebeb1330a134f7adc45f070fcaf64.edz()
- 5cc8db505f57580520d0da165ff7cabb.stp()
- af8fdad3b13c8be7d4a23291123a3492.pdf()
- Declaration EPD (Environmental Product Declaration)()
- Deeplinks()
