Draagrail Kunststof 35 x 15 mm lichtgrijs 210-509 Wago
4057747
MFG #: 210-509
€29,84
/ 1.00
- Gatvorm: Geen
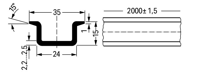
- Hoogte: 15 mm
- Lengte: 2000 mm
- Materiaal: Kunststof
- Materiaaldikte: 2,2 mm
- Merk: Wago
- Model: DIN-rail 35/15
- Type: 210-509
- Serie: Serie 210
