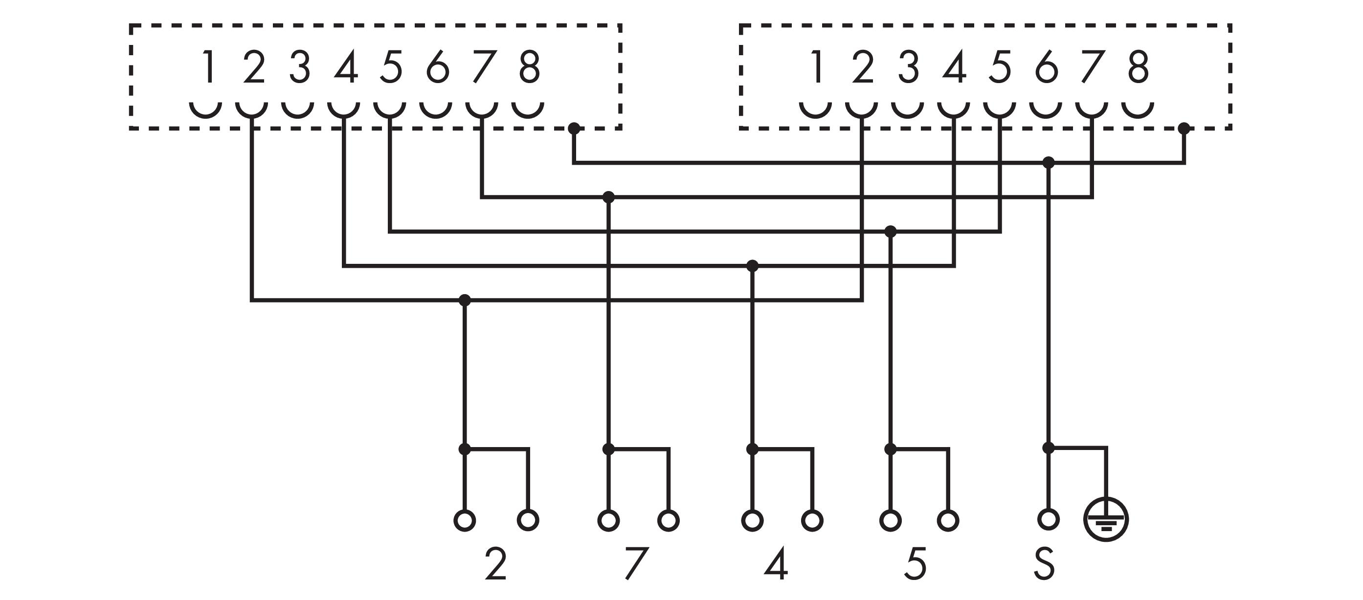
Interfacemodule 2xRJ-45 Printklemmen, 2 rijen 289-966 Wago
4094048
MFG #: 289-966
€114,00
/ 1.00
- Aansluitwijze: Overig
- Aantal polen: 20
- Merk: Wago
- Model: Plug (stekker)
- Serie: Series 289
- Type: 289-966
