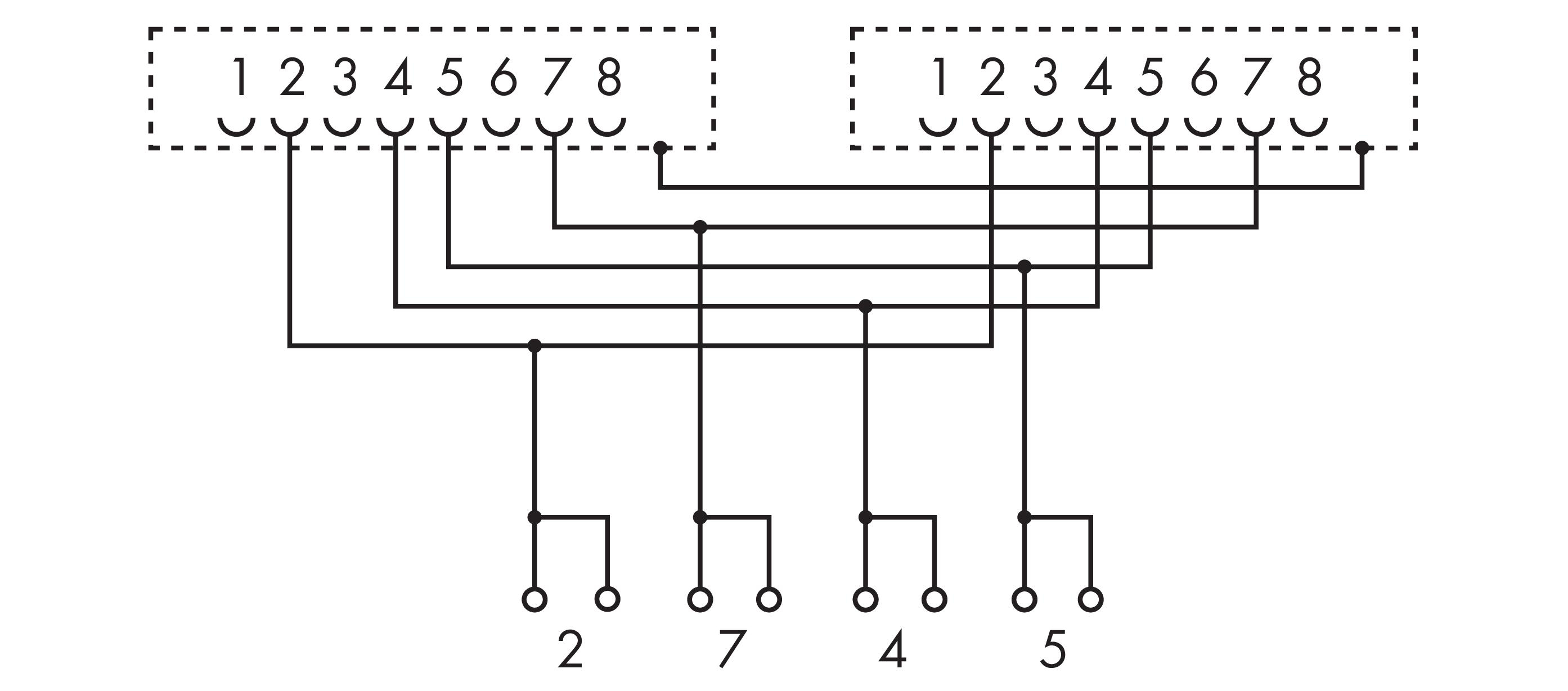
Interfacemodule 2xRJ-45 Printklemmen, 2 rijen 289-965 Wago
4094047
MFG #: 289-965
€95,59
/ 1.00
- Aansluitwijze: Overig
- Aantal polen: 20
- Merk: Wago
- Model: Plug (stekker)
- Serie: Series 289
- Type: 289-965
